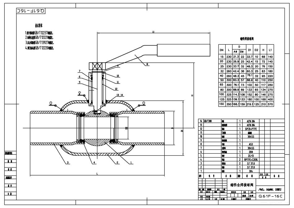
【型號】:Q61F/Q361F/Q67F/Q367F等 【球體】:304/A105
【口徑】:DN15 - DN1400 【密封】:RPTFE
【壓力】:PN16/PN25 【溫度】:-29-200℃
【閥體】:ST37.8、304,A105等 【介質】:水、天然氣、油品等
全焊接球閥應用范圍:城市燃氣:燃氣輸出管道、主干線及各支線供應管道等。集中供熱:大型供熱設備輸出管線、主干線、支線。熱交換機:管道及各回路啟閉。鋼鐵廠:各種流體管道、廢氣排放管道、煤氣和熱力供應管道、燃料供應管道。各種工業設備:各種熱處理管道、各種工業煤氣和熱力管道。
全焊接球閥應用范圍:
城市燃氣:燃氣輸出管道、主干線及各支線供應管道等。
集中供熱:大型供熱設備輸出管線、主干線、支線。
熱交換機:管道及各回路啟閉。
鋼鐵廠:各種流體管道、廢氣排放管道、煤氣和熱力供應管道、燃料供應管道。
各種工業設備:各種熱處理管道、各種工業煤氣和熱力管道。
全焊接球閥特性:
全焊接球閥,不會有外部泄漏等現象。
球體的加工過程有先進的計算機檢測儀跟蹤檢測,所以球體的加工精度高。
由于閥體材料跟管道材質一樣,不會出現應力不均,也不會由于地震及車輛經過地面時而產生變形,管道耐老化。
密封環本體采用含量25%Carbon(碳素)的RPTFE材質,保障完全無泄漏(0%)。
直埋式焊接球閥可以直接埋于地下,不用建高大型閥門井,只需在地面上設置小型淺井,大大節省施工費用及工程時間。
可根據管道的施工及設計要求,調整閥體的長短和閥桿的高度。
球體的加工精度非常精密,操作輕便,無不良干涉。
采用高級的原材料,能保PN25以上的壓力。
與同類行業的同種規格產品相比,閥體小,而且外型美觀。
在保證閥門正常操作、使用情況下,使用壽命在15年以上。







